GENERAL

 

DIY Scriber

 

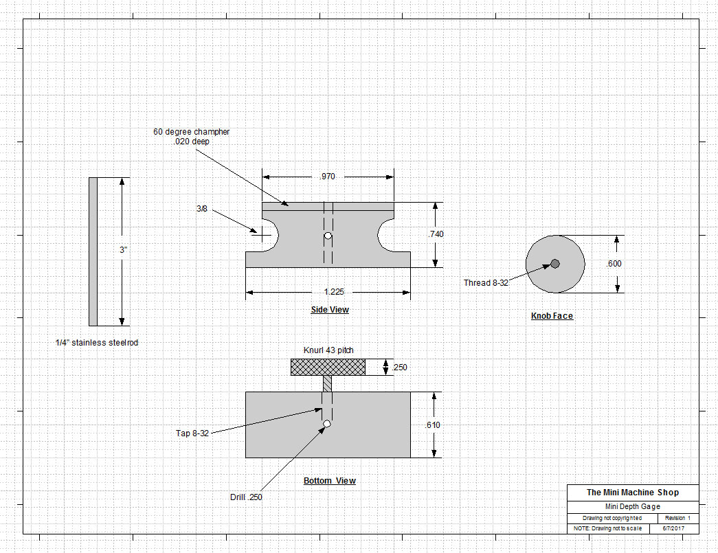
Depth Gage

 

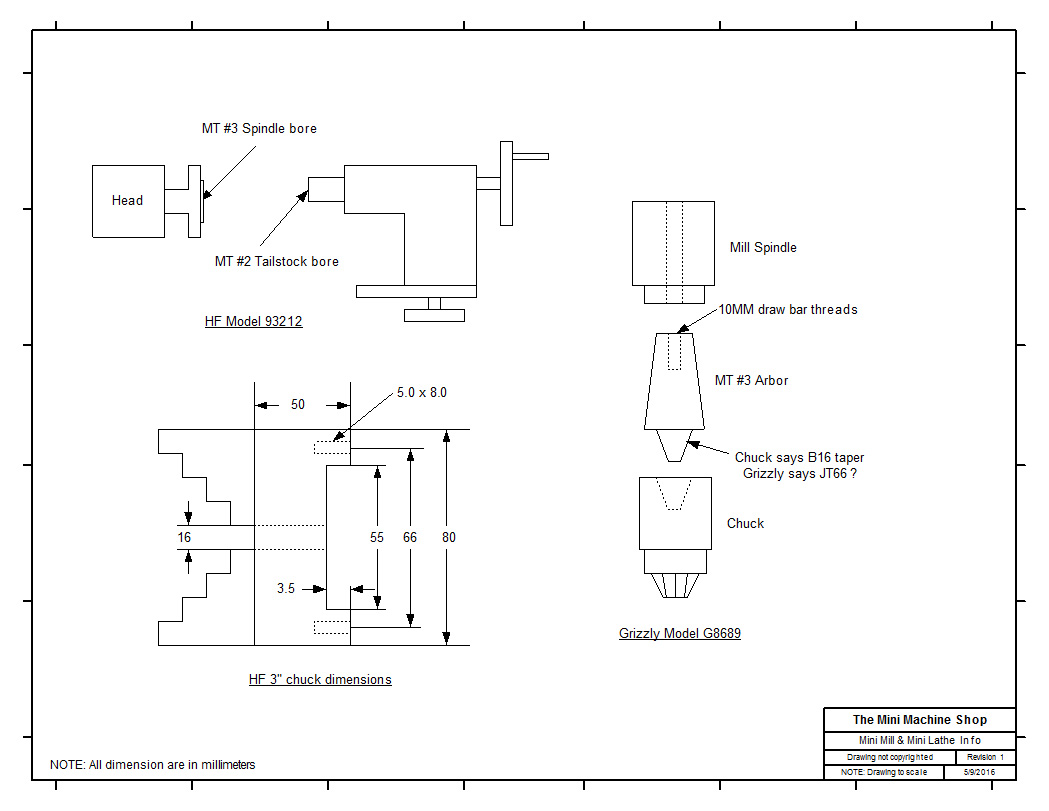
Mill & Lathe Dimensions

 

Test Indicator Dovetail Holder & Cutter

 

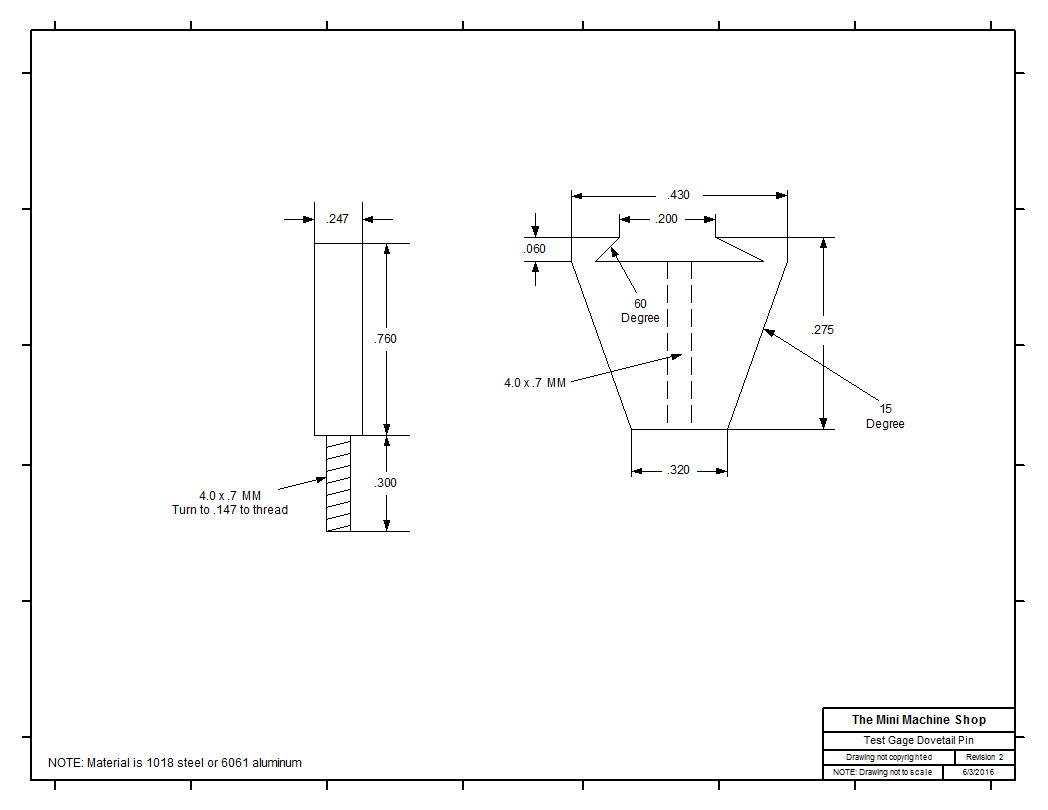
Test Indicator Dovetail Stem

 

How to remove the spindle in the mill or lathe

 

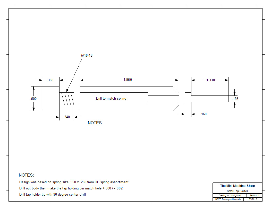
Small tap holder

 

Ferrule Puller from video #73

 

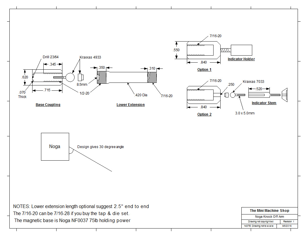
Noga Knock Off Arm

 

Spanner Bolt Dimensions

 

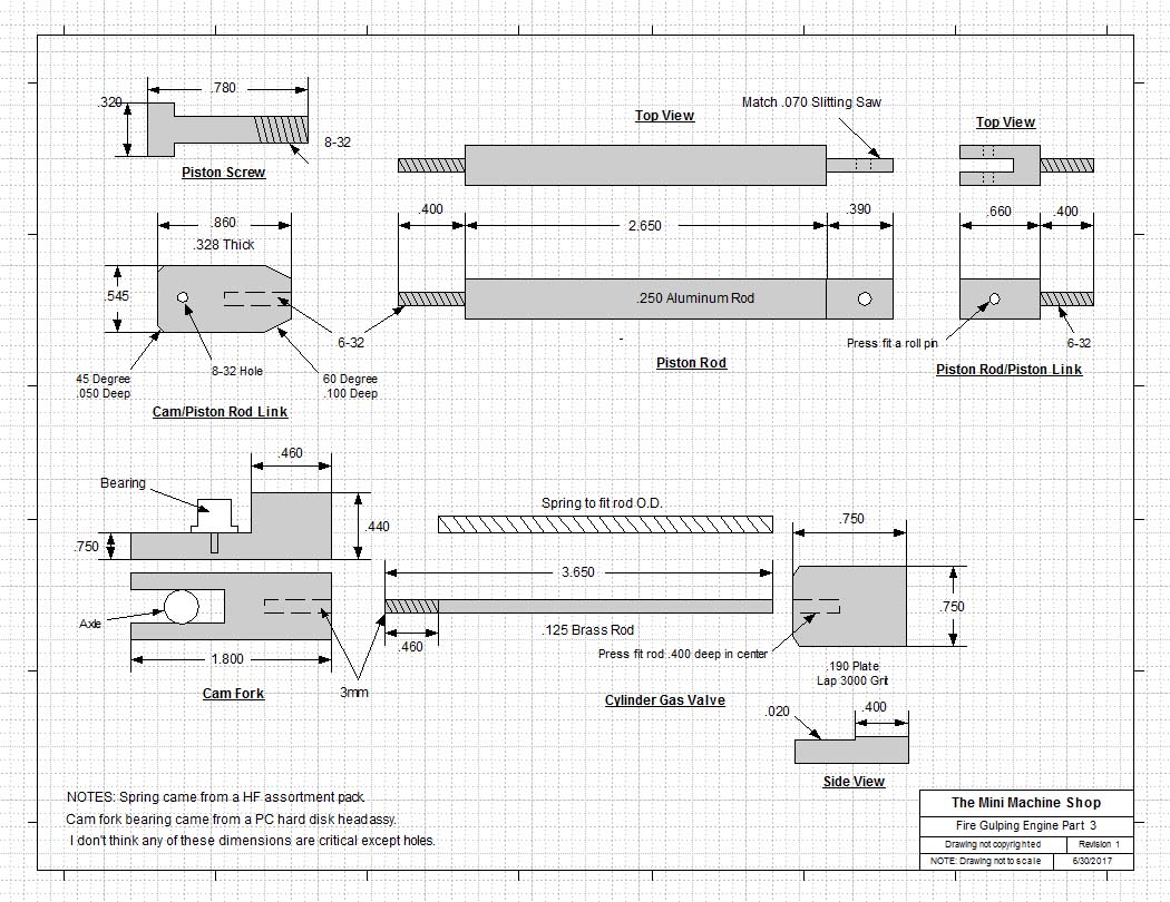
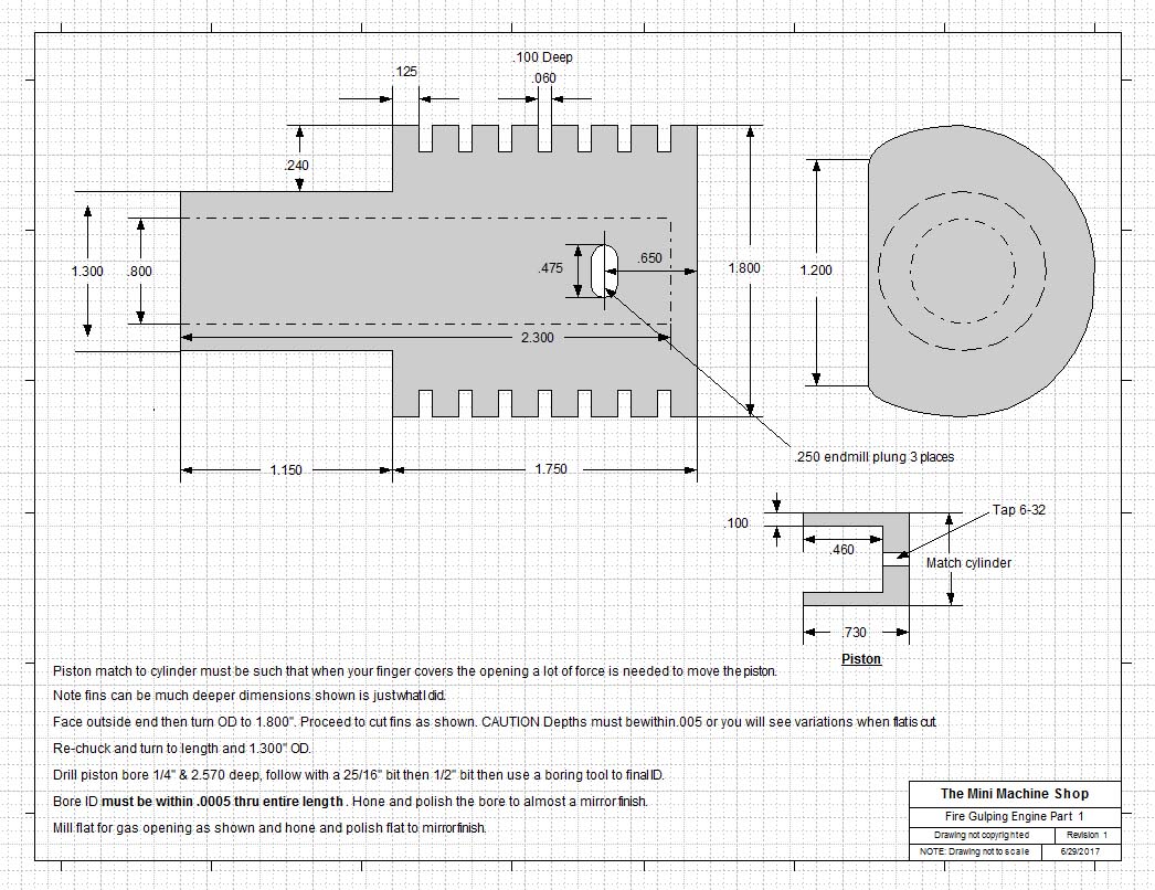
Flame Gulping Engine  Part 1 Part 2 Part 3 Part 4

 

Spinning Top

 

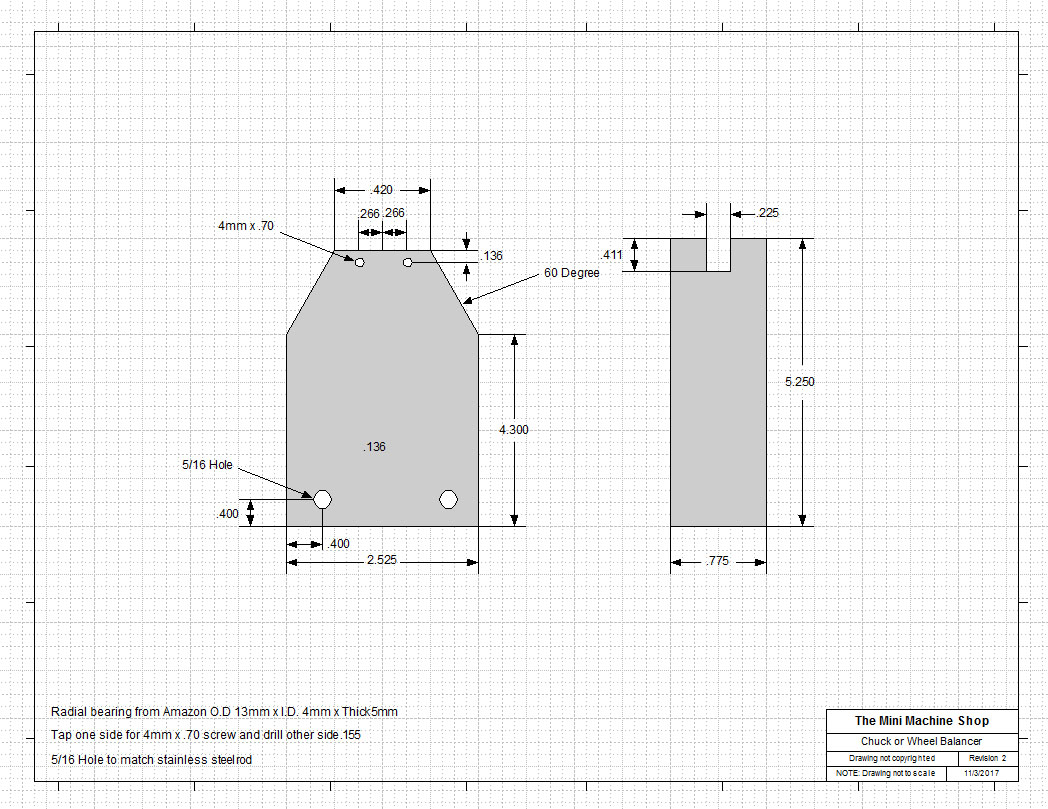
Grinding Wheel Balancing Fixture

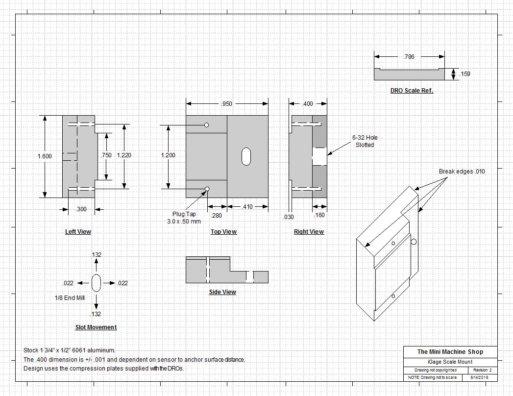
iGage DRO Scale Mount

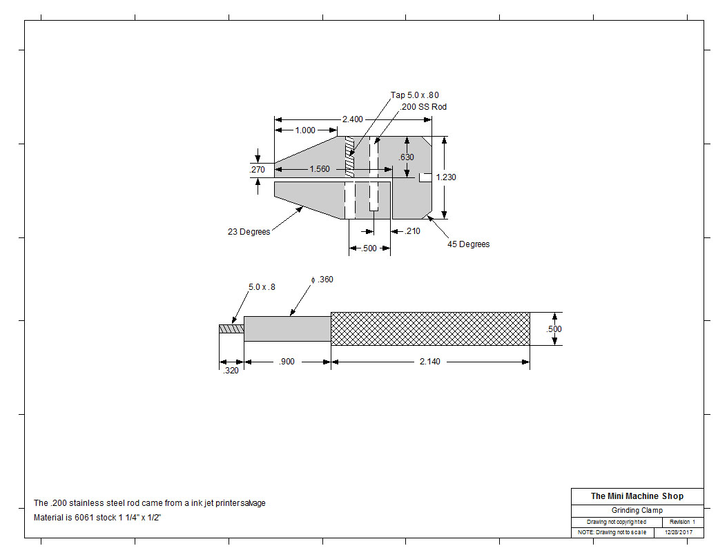
DIY Hand Grinding Clamp

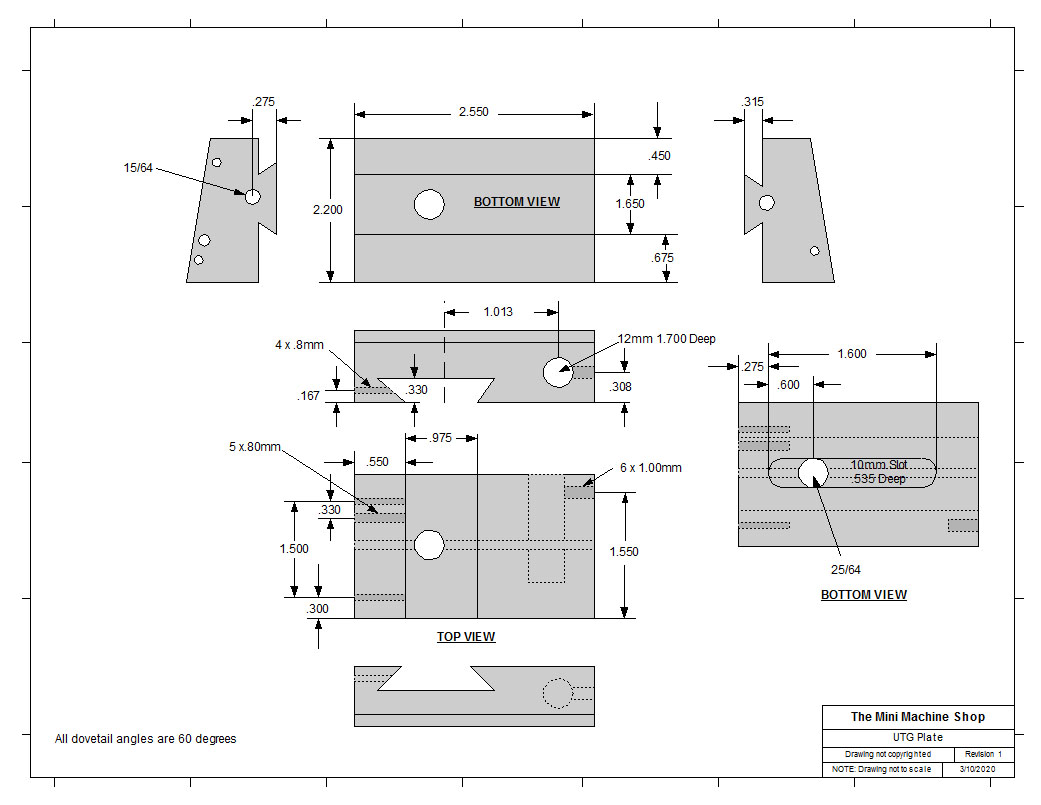
Universal Tool Grinder

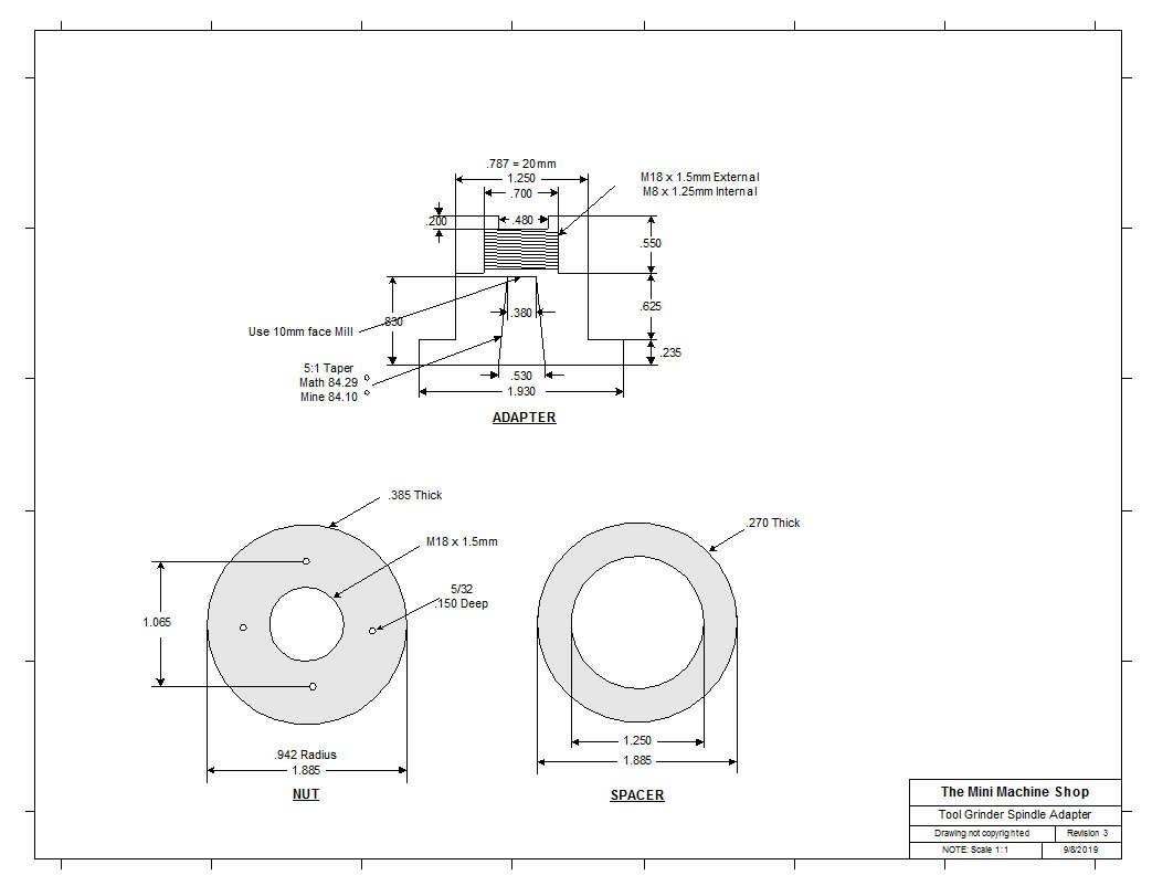
UTG 20mm Hub Adapter

UTG Index Head Slide

UTG Wheel Removal Tool

 MINI MILL

 

Mini Pallet 3.0"

 

Mini Pallet 2.5"

 

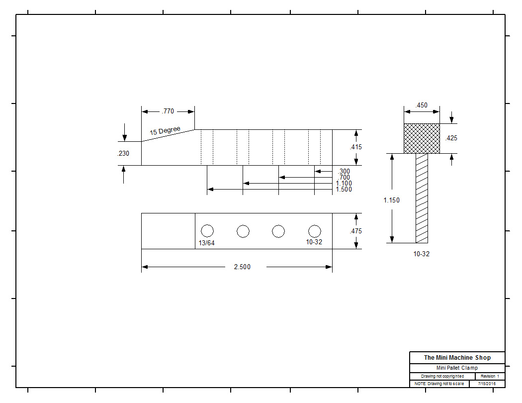
Mini Pallet Clamp

 

Fly Cutter

 

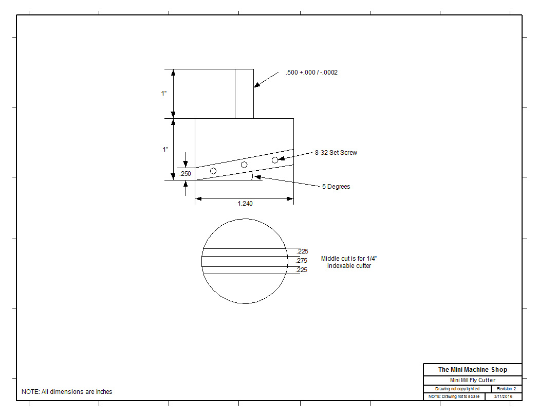
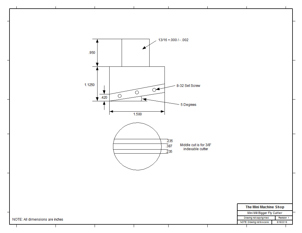
New Bigger Fly Cutter

 

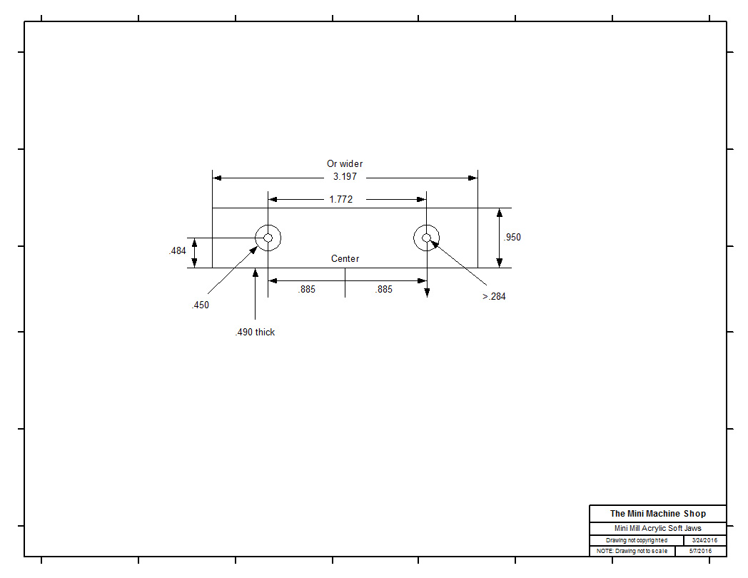
Vise Soft Jaws

 

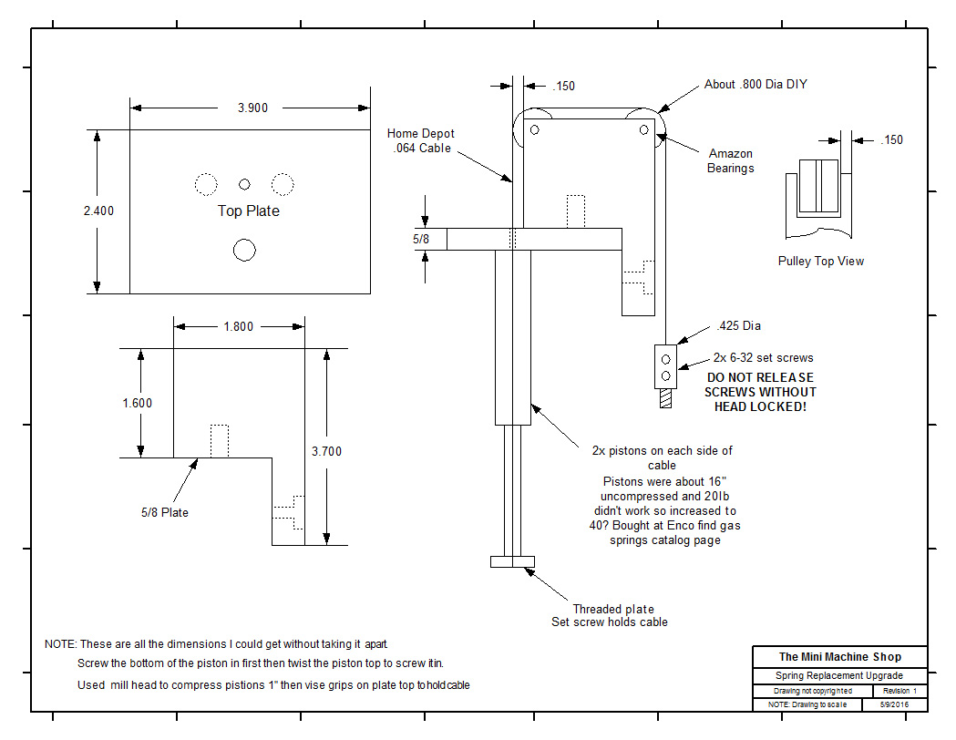
Gas Spring Upgrade

 

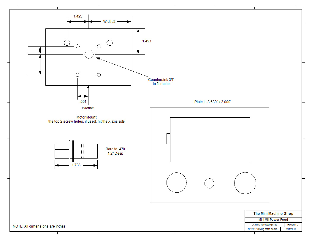
X Axis Power Feed

 

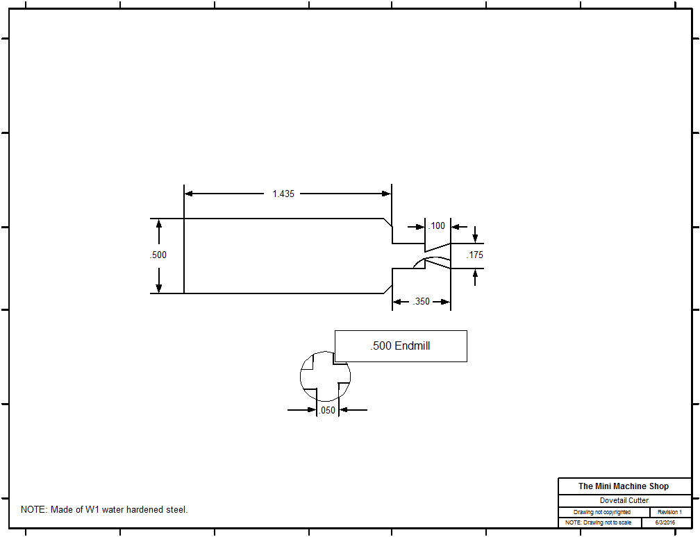
Dovetail cutter for test indicators video #67

 

Leather Chip Guard

 

Vise Speed Handle

 

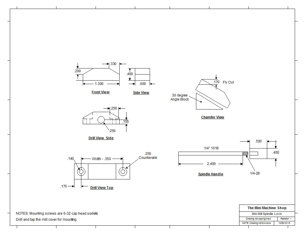
Mill Spindle Lock

 

Mill "T" Nut

 

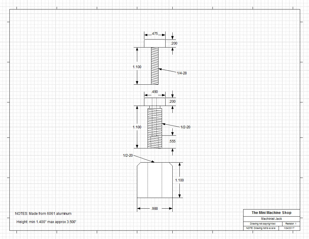
Machinist Jack

LMS Belt Drive Pulley

 

 

MINI LATHE

 

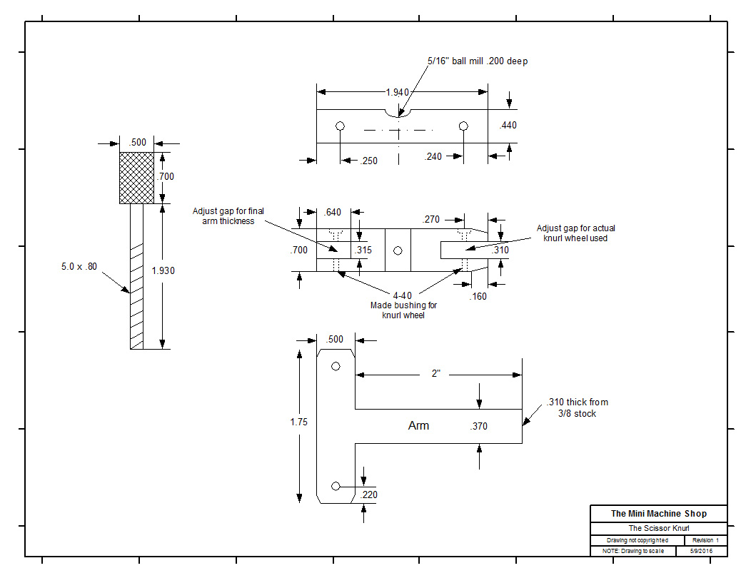
Scissor Knurling Tool

 

Threading Dial Mount

 

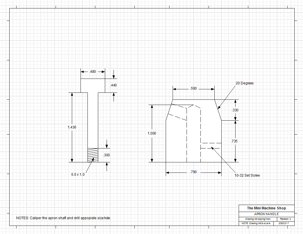
Better Apron Handel

 

4" Chuck Adapter Balancing Weight

 

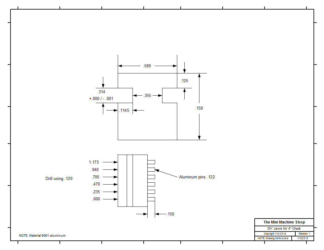
DIY 4" Chuck Jaws

 

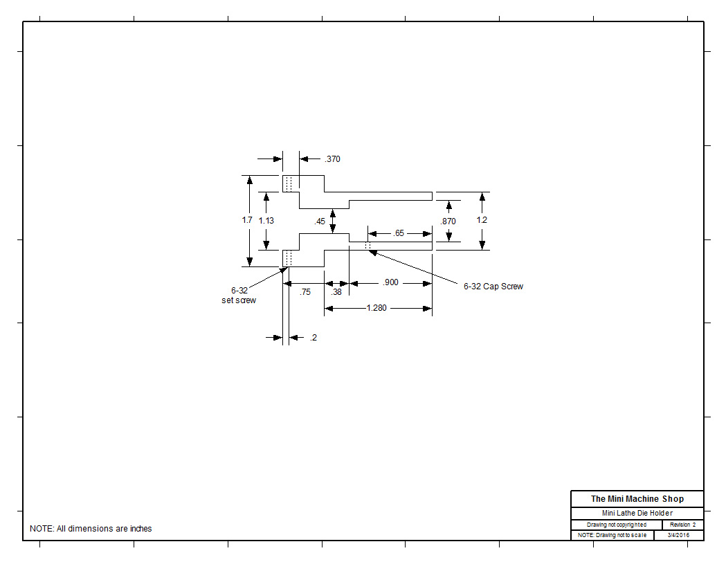
Tailstock Die Holder

 

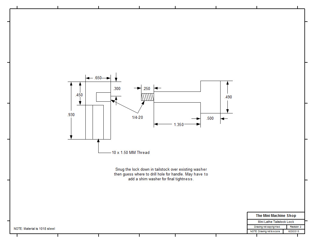
Tailstock Lock Down Upgrade

 

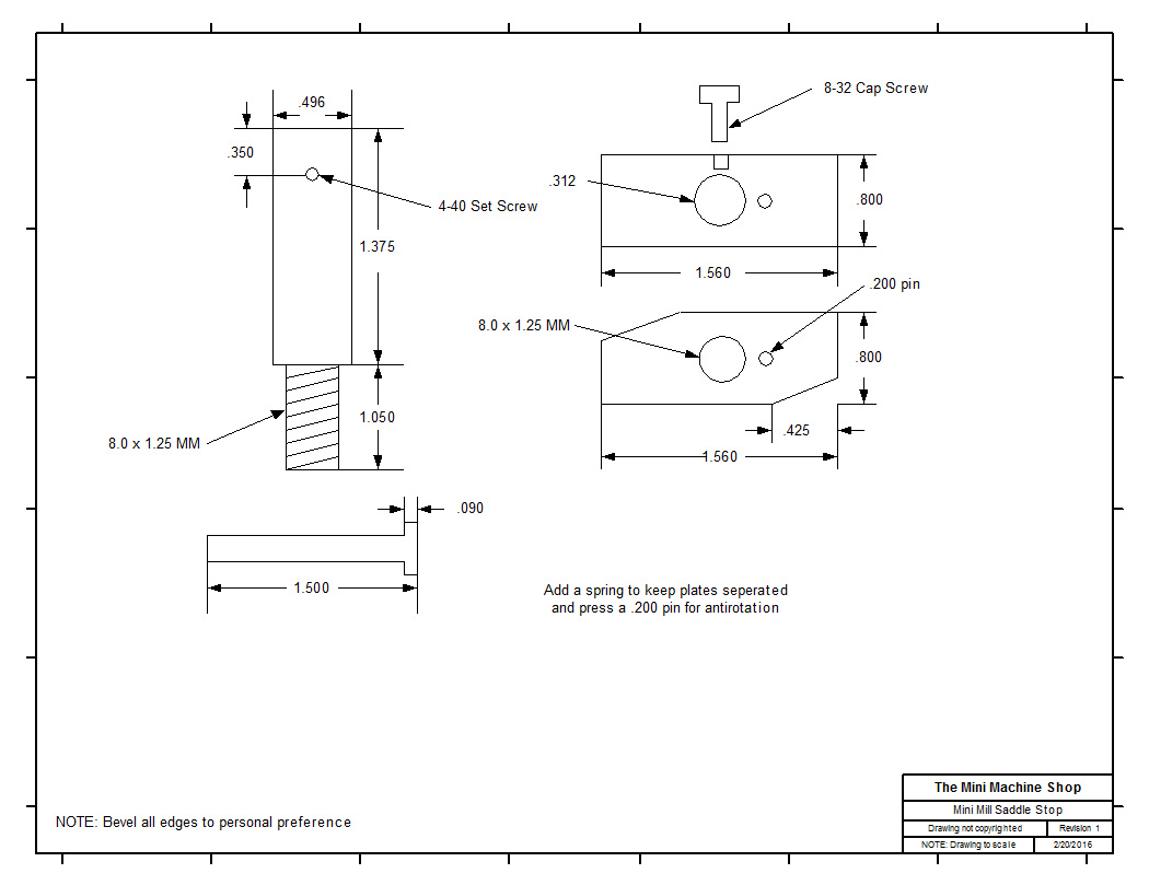
Saddle Stop

 

ghostses's Knurling Math

 

3/8 AR Insert Holder

 

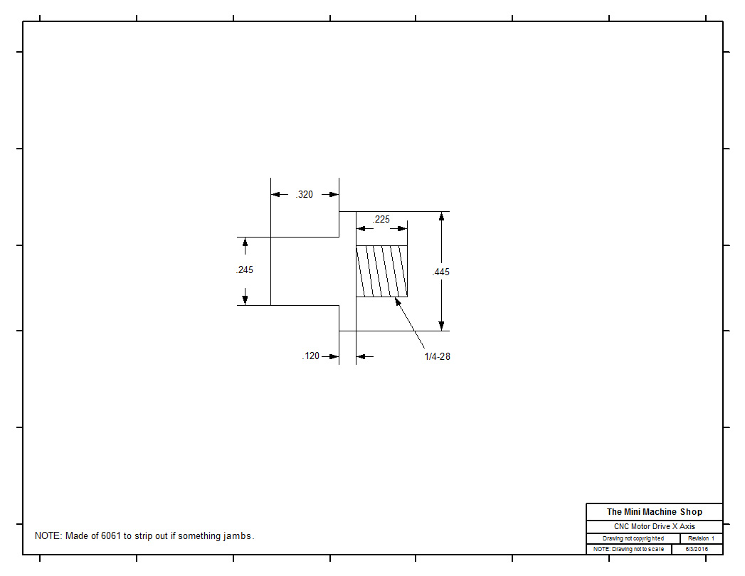
CNC Motor Coupler X-Axis

 

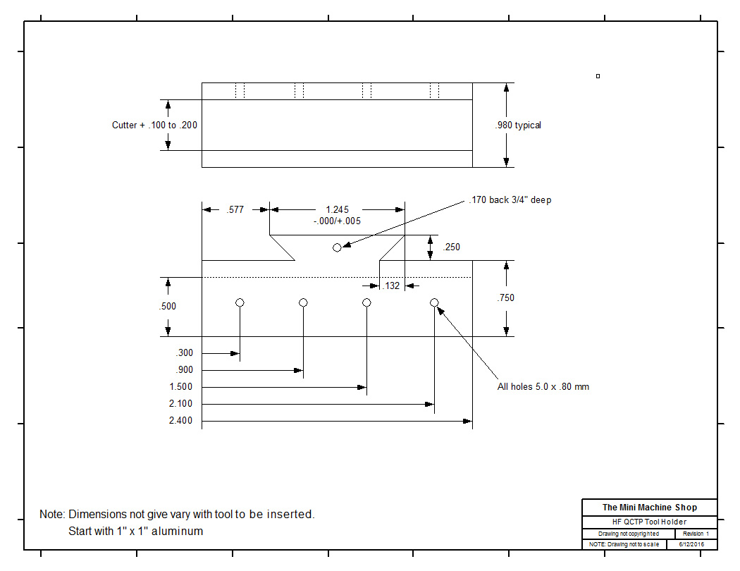
HF QCTP Tool Holder

 

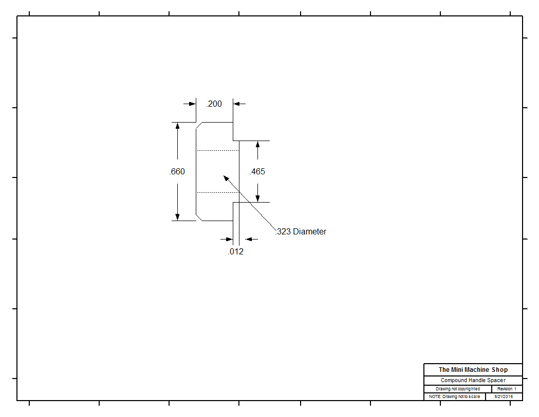
Compound Handle Friction Spacer

 

Spindle Lock

 

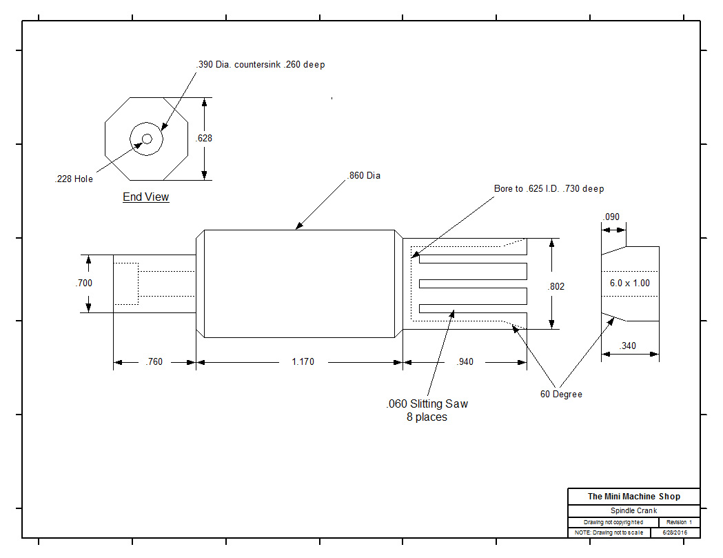
Intermediate Shaft Dimensions

 

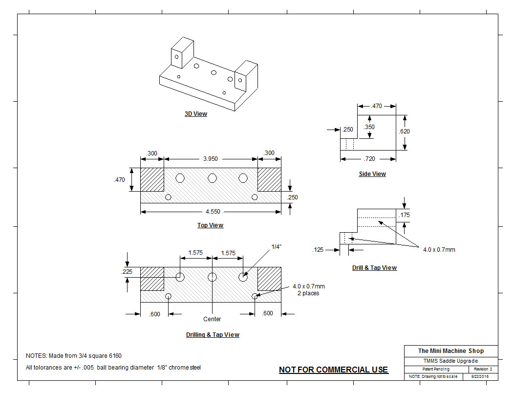
TMMS Saddle Upgrade

 

Lathe Raising Blocks

 

Apron Handle

 

A2Z Tool Holder